User Profile
User Avatar

CIMI CIMI

Total Videos: 5

Le CIMI vous propose : <br />- de la formation en Maintenance <br />• Cycles Métiers certifiants <br />• Fondamentaux <br />• Gestion technico-économique : tableaux de bord, GMAO <br />• Méthodes Maintenance et outils associés <br />• Méthodologies d'intervention (diagnostic - compte-rendu) <br />• Contrats de Maintenance <br />• Gestion des stocks Maintenance / magasinage <br /><br />- des formations Production <br />• Conduite et réglages des équipements: Conduite de lignes, réglages de Production, automaintenance <br />• Méthodes et qualité : achats, flux tiré (KANBAN), capabilité et maîtrise statistique (MSP / SPC) <br /><br />- de la formation en Techniques <br />• Automatismes, Supervision et Réseaux: Siemens, Schneider, Rockwell, Omron, BR, Proface <br />• Electrotechnique, Variation de vitesse <br />• Froid, Climatisation, Attestation d'aptitude <br />• Hydraulique (oléohydraulique) <br />• Informatique appliquée, bureautique <br />• Mécanique <br />• Pompes, Vide industriel <br />• Pneumatique <br />• Régulation, Instrumentation <br />• Soudage <br /><br />- de la formation en Développement durable et Sécurité : Système de management des énergies (NF EN 16001), Maîtrise des consommations énergétiques, Gestion Technique des Bâtiments, Indicateurs de sécurité et communication, Organisation de la sécurité, Responsabilité pénale, Sécurité dans les interventions techniques <br /><br />- de la formation en Amélioration continue : démarches (TPM, Automaintenance, Lean Manufacturing - VSM, AIC/QRQC, Six Sigma), Gestion et conduite de projets, Méthodes / outils appliqués (SMED, 5S, AMDEC), Sûreté de fonctionnement, fiabilité / maintenabilité (MTBF, MTTR, typologie, modes et lois de défaillance) <br /><br />- de la formation en Management et communication : animation d'équipe, amélioration des relations clients – fournisseurs, conduite de réunion, délégation des activités et transfert de compétences, gestion des situations conflictuelles, accompagnement au changement, conduite d'un entretien individuel d'évaluation des compétences

Playlists

CIMI - Pneumatique : Vidéo de formation

Uploaded: February 7, 2011 Views: 3

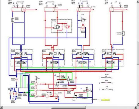
CIMI - Hydraulique : Vidéo de formation

Uploaded: February 7, 2011 Views: 4

CIMI - Froid Climatisation : Montage de MANIFOLD / BYPASS

Uploaded: February 7, 2011 Views: 6

CIMI - Organisme de formations et conseil

Uploaded: February 7, 2011 Views: 1
Your Page Title